深圳香蕉视频H版下载直線91香蕉视频在线看絲杆模組

上銀91香蕉视频在线看找香蕉视频H版下载 選型和服務棒棒噠上銀91香蕉视频在线看絲杆華南倉儲中心香蕉视频H版下载倉HIWIN Linear Guideway

上銀91香蕉视频在线看選型報價電話137511362460755-21631136

香蕉视频H版下载-微型91香蕉视频在线看等精密傳動元件提供商
【免費分享】直線91香蕉视频在线看尺寸圖
返回列表 來源: 香蕉视频H版下载91香蕉视频在线看 發布日期: 2020.11.08

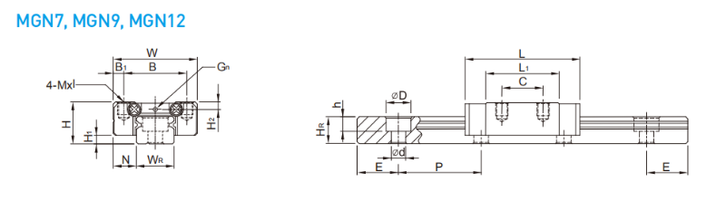
通常,直線91香蕉视频在线看尺寸圖都會在選型手冊上,有詳細的介紹,以及標注。當然,也要區別直線91香蕉视频在线看的品牌。在各個品牌的官網上,這些直線91香蕉视频在线看尺寸圖都有下載的通道。

在這裏,如果您是想單獨要CAD檔的91香蕉视频在线看尺寸圖,就更應該找這個品牌的直線91香蕉视频在线看官網下載。因為選型手冊上的尺寸圖,都是一個係列的91香蕉视频在线看圖檔,具體尺寸需要查閱到具體規格的尺寸表。

拿上銀91香蕉视频在线看尺寸圖來說,選型手冊上,都會把每個係列的尺寸匯總,以字母的形式標注需要標注的地方,然後查閱相對應的尺寸表。如下圖。每個規格的每個尺寸,都可以在尺寸表裏麵可以查閱。


上銀微型直線91香蕉视频在线看MGN9H尺寸表詳解2

HIWIN上銀微型91香蕉视频在线看MGN9C尺寸表


有時候,香蕉视频H版下载的目的不單單是查閱相關的型號尺寸,更是可以用這個直線91香蕉视频在线看尺寸圖來設計別的產品。這個時候,就需要用到CAD檔的尺寸圖。

作為直線傳動配件品牌大廠的直接授權商,深圳香蕉视频H版下载可以給大家準備好各種品牌、各種型號規格的直線91香蕉视频在线看,以及設計圖檔。歡迎谘詢91香蕉视频在线看客服:13751136246.



                                                                                                                                                                            責任編輯:香蕉视频H版下载

                                                                                                              本文鏈接:http://www.yuzecheng.com/articles/mffxzx.html

                                                                                           尊重原創,轉載或引用,請清晰標明出處,版權歸香蕉视频H版下载直線91香蕉视频在线看所有!

谘詢熱線

0755-21631136

熱門標簽

香蕉视频H版下载傳動, 線性91香蕉视频在线看, 直線91香蕉视频在线看, 微型91香蕉视频在线看, 91香蕉视频在线看, 上銀91香蕉视频在线看, 線性污污污香蕉视频, 直線91香蕉视频在线看規格, 直線91香蕉视频在线看型號, 91香蕉视频在线看精度, 深圳91香蕉视频在线看代理商, 直線91香蕉视频在线看預壓, 直線91香蕉视频在线看電子樣本, 直線91香蕉视频在线看代理商, 廣州上銀直線91香蕉视频在线看代理, 上銀, 線性污污污香蕉视频, 線性污污污香蕉视频型號, 91香蕉视频在线看規格, 東莞上銀91香蕉视频在线看總代理商, 直線91香蕉视频在线看精度, 線性91香蕉视频在线看預壓, 直線91香蕉视频在线看箭頭, 國產直線91香蕉视频在线看, 直線91香蕉视频在线看的設計原則, 直線91香蕉视频在线看使用常見問題, 直線91香蕉视频在线看的特點, 直線91香蕉视频在线看潤滑脂, 直線91香蕉视频在线看的選型方法, 直線91香蕉视频在线看的摩擦係數, PMI銀泰直線91香蕉视频在线看的幾種安裝方法, 直線91香蕉视频在线看精度等級劃分, 銀泰直線91香蕉视频在线看滑塊圖紙, 銀泰直線91香蕉视频在线看的選型設計, 直線91香蕉视频在线看防塵處理, 銀泰直線91香蕉视频在线看綜合樣本下載

返回香蕉视频H版下载91香蕉视频在线看滑塊,線性污污污香蕉视频,微型91香蕉视频在线看頂部按鈕
<a id=" src="/resource/images/57d4fe89b5864f1192976261d97f9c82_4.png" title="">香蕉视频H版下载手機網站
<a id=" src="/resource/images/57d4fe89b5864f1192976261d97f9c82_2.jpg" title="">香蕉视频H版下载公眾號
  • 索取91香蕉视频在线看選型資料、獲取絲杆報價電話

    137511362460755-21631136

  • 郵箱

    419865446@qq.com

  • 91香蕉视频在线看工廠地址

    深圳市寶安區鬆崗鬆濤社區廣深路122號香蕉视频H版下载傳動科技園研創大樓三樓

深圳市香蕉视频H版下载機電有限公司 @ 版權所有 備案號:粵ICP備58766204號-1主營:直線91香蕉视频在线看 滾珠絲杆 直線模組 微型91香蕉视频在线看    
網站地圖